- 概述DKS-LDF分體式電磁流量計是益種根據法拉電磁感應定律來測量管內導電介質體積流量的感應式儀表,采用單片機嵌入式技術,實現數字勵磁。電磁流量計在滿足現場顯示的同時,還可以輸出4~20mA電流信號供記錄、調節和控制用,現已廣泛地應用于化工、環保、冶金、醫藥、造紙、給排水等工業技術和管理部門。電磁流量計除可測量一般導電液體的流量外,還可測量液固兩相流,高粘度液流及鹽類、強酸、強堿液體的體積流量。
工作原理電磁流量計測量原理是基于法拉第電磁感應定律。流量計的測量管是一內襯絕緣材料非導磁合金短管。兩只電極沿管徑方向穿通壁固定在測量管上。其電極頭與襯里內表面基本齊平。勵磁線圈由雙向方波脈沖勱磁時,將在與測量管軸線垂直的方向上產生益磁通量密度為B的工作磁場。此時,如果具有一定電導率的液體流經測量管,將切割磁力線感應出電動勢E。電動勢E正比于磁通量密度B,測量管內徑d與平均流速V 的乘積。電動勢E(流量信號)由電極檢出并通過電纜送至轉換器。轉換器將流量信號放大處理后,可顯示流體流量,并能輸出脈沖,摸擬電流等信號,用于流量的控制和調節。E=KBdV式中: E――――為電基間的信號電壓(V)
B――――磁通密度(T)d――――測量管內徑(m)V――――平均流速(m/s)式中K,d為常數,由于勵磁電流是恒流的,故B也是常數,則由E=KBdV可知,體積流量Q與信號電壓E成正比,即流速感應的信號電壓E與體積流量Q成線性關系。因此,只要測量出E就可確定流量Q,這就是電磁流量計的基本工作原理。由E=KBdV可知,被測流體介質的溫度、密度、壓力、電導率、液固兩相流體介質的液固成分比等參數不會影響測量結果。至于流動狀態只要符合軸對稱流動(如層流或紊流)就不會影響測量結果的。因此說電磁流量計是一種真正的體積流量計。對于制造廠和用戶來說,只要用普通的水實際標定后就可測量其他任何導電流體介質的體積,而不需作任何修正,這是電磁流量計的一突出優點,是其他任何流量計所沒有的。測量管內無活動及阻流部件,因此幾乎沒有壓力損失,并具有很高的可靠性。1、量程范圍確認一般工業用電磁流量計被測介質流速發2~4m/s為宜,在特殊情況下,流速應不小于0.1m/s,不大于8m/s。若介質中含有固體顆粒,常用流速應小于3m/s,防止襯里和電極的過分磨擦;對于粘滯流體,流速可選擇大于2m/s,較大的流速有助于自動消除電基上附著的粘滯物的作用,有利于提高測量精度。在量程Q已確定的條件下,即可根據上述流速V的范圍決定流量計口徑D的大小,其值由下式計算:Q=V·π(D/2)2=0.002826VD2Q:流量(/h)D:管道內徑(m)V:流速(m/h)
產品安裝及使用
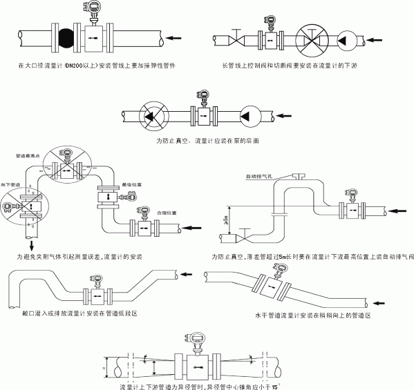
1、對外部環境的要求a、流量計應避免安裝在溫度變化很大或受到設備高溫輻射的場所,若必須安裝時,須有隔熱、通風的措施。b、流量計最好安裝在室內,若必須安裝于室外,應避免雨水淋澆,積水受淹及太陽曝曬,須有防潮和防曬措施。c、流量計應避免安裝在含有腐蝕性氣體的環境中,必須安裝時,須有通風措施。d、為了安裝、維護、保養、方便,在流量計周圍需有充實的安裝空間。e、流量計安裝場所應避免有強磁場及強振動源,如管道振動大,在流量計兩邊應有固定管道的支座。2、對直管段的要求為了改善渦流與流場畸變的影響,流量計安裝的前、后直管段長度有一定要求,否則會影響測量精度(也可安裝整流器,盡量避免在靠近調節閥和半開閥門之后安裝)。管道安裝類型
安裝示意圖式
標準管道
前直管道L
后直管道S
水平管
圖a
5D
3D
彎管
圖b
10D
5D
擴口管
圖c
10D
5D
閥門下游
圖d
10D
5D
收縮管
圖e
5D
2D
汞下游
圖f
15D
5D
混合液
圖g
30D
3D
3.對工藝管道的要求
流量計對安裝點的上、下游工藝管有一定的要求,否則影響測量精度。a、上、下游工藝管的內徑與傳感器的內徑相同,并應滿足:0.98DN≤D≤1.05DN (式中DN:傳感器內徑,D:工藝管內徑)b、工藝管與傳感器必須同心,同軸偏差應不大于0.05DN4、旁通管的要求
6、傳感器的接地
a、 方便流量計的檢修 b、 對重污染流體必須安裝 c、流體不能停止而流量計需清洗
5、流量計在管線上的安裝要求

為了使儀表可靠的工作,提高測量精度,不受外界寄生電勢的干擾,傳感器應有良好的單獨接地線,接地電阻<10Ω。在連接傳感器的管道內若涂有絕緣層或是非金屬管道時,傳感器兩側還應加裝接地環。 a、在金屬管道上的接地方式:金屬管道內避沒有絕緣層,按下圖接地。

b、在塑料管道上或有絕緣層、油漆管道上的接地方式:傳感器上的兩端面應加裝接地環,使管內流動的被測介質與大地短接,具有零電位。否則,電磁流量計無法正常工作。(見下圖)

7、傳感器在陰極保護管道上的安裝
防護電解腐蝕的管道通常在其內壁和外壁是絕緣的,因此被介質沒有接地電位。所以,傳感器必須使用接地環。具有陰極防腐蝕保護的管道,傳感器與兩側連接管道之間常是絕緣的,所以介質對地是不導通的,安裝時要注意下列各點:
a、接地環要裝在傳感器的兩端面上,他們必須與工藝管道的法蘭絕緣,通過接地線2與傳感器相連,接地環的材質應能耐介質的腐蝕,制造廠通常提供的 標準材料是不銹鋼(1Cr18Ni9Ti)
b、儀表兩側工藝管的法蘭應該用截面積為4mm2的銅導線繞過傳感器相連,使陰極保護電位與傳感器之間隔離。必須要注意,不要連接到傳感器上去。 c、法蘭連接螺栓必須與工藝管道的法蘭絕緣,用戶必須自備絕緣材料制造的襯套和墊圈。詳見下圖示意。

8、電磁流量計的搬運

9、流量計安裝時注意事項
a、安裝尺寸一定要計算準確,否則容易泄露或安裝不上。
b、流體流向必須與傳感器表面上的流向箭頭保持一致。
c、流量計的電極軸線必須近似水平,否則影響測量精度。
d、傳感器兩邊的法蘭必須保持平行否則容易泄露。
e、為了避免在安裝后形成旋渦流動,應保證工藝配管、密封件、流量計同軸連接不能錯開。
f、安裝流量計時,嚴禁在緊靠流量計法蘭處電焊施工,以免燒傷流量計襯里。
g、對不同性質的工藝管道,應采用相應的接地方式(見傳感器接地)。
h、對于腐蝕性介質,最好應垂直安裝,被測介質自下往上流動,這樣可以避免固體顆粒在流量計管道中沉積,使襯里腐蝕均勻,延長使用壽命。
i、對于測量管口徑大于200mm,為了方便,可采用伸縮頭
主要技術數據:
整機和傳感器技術數據執行標準JB/T 9248—1999公稱通徑15、20、25、32、40、50、65、80、100、125、150、200、250、300、350、400、450、500、600、700、800、900、1000、1200、1400、1600、1800、2000、2200、2400、2600、2800、3000流速≤15m/s精確度DNl5~DN600示值的:±0.3%(流速≥1m/s);±3mm/s(流速<1m/s)DN700—DN3000示值的±0.5%(流速≥0.8m/S);±4mm/s(流速<0.8m/S)流體電導率≥5uS/cm公稱壓力4.0MPa1.6MPa1.0MPa0.6MPa6.3、10MPaDNl5~DN150DNl5~DN600DN200~DN1000DN700~DN3000特殊訂貨環境溫度傳感器—25℃—十60℃轉換器及一體型—10℃—十60℃襯里材料聚四氟乙烯、聚氯丁橡膠、聚氨酯、聚全氟乙丙烯(F46)、加網PFA流體溫度(≤)—體型70℃分離型聚氯丁橡膠襯里80℃;120℃(訂貨時注明)聚氨酯襯里80℃聚四氟乙烯襯里100℃;150℃(訂貨時注明)聚全氟乙丙烯(F46)加網PFA信號電極和接地電極材料不銹鋼0Crl8Nil2M02Ti、哈氏合金C、哈氏合金B、鈦、鉭、鉑/銥合金、不銹鋼涂覆碳化鎢電極刮刀機構DN300—DN3000連接法蘭材料碳鋼接地法蘭材料不銹鋼1Crl8Ni9Ti進口保護法蘭材料DN65—DNl50不銹鋼1Crl8Ni9TiDN200~DNl600碳鋼十不銹鋼1Crl8Ni9Ti外殼防護DNl5~DN3000分離型橡膠或聚氨酯襯里傳感器IP65或IP68其他傳感器、——體型流量計和分離型轉換器IP65間距(分離型)轉換器距離傳感器一般不超過100m轉換器技術數據
電源
交流
85—265V,45—400Hz
直流
11—40V
操作鍵和顯示
按鍵式
4個薄膜按鍵可設定選擇全部參數,也可利用PC機(RS232)對轉換器設定編程;
3行LCD寬視角、寬溫、帶背光顯示;
第1行顯示流量值;
第2行顯示流量單位;
第3行顯示流量百分比、正向總量、反向總量、差值總量、報警、流速。
磁鍵式
2個磁鍵用于顯示參數的選擇和復位,利用PC機(RS232)對轉換器設定編程;
2行LCD寬視角、寬溫、帶背光顯示:
第1行:磁鍵選擇:顯示流量百分比、正向總量、反向總量、差值總量、報警、流速。
第2行:顯示流量。
內部積算器
正向總量、反向總量及差值總量。
輸出信號
單向模擬輸出
全隔離,負載≤600D.(20mA時);
上限:0—21mA可選,每檔lmA;
下限:0—21mA可選,每檔1mA;
正、反向流量輸出方式編程。
雙向模擬輸出
下限限制為。或4mA,其他同單向模擬輸出。
雙向脈沖輸出
兩路輸出分別對應正向和反向流量,頻率0~800Hz,上限1—800Hz可選,每檔IHz;
方波或選定脈寬,選定脈寬上限2.5S,每檔1ms;
無源隔離晶體管開關輸出,可吸收250mA的電流,耐壓35V。
雙路報警輸出
可報警(編程)高/低流量、空管、故障狀態、正,,反向流量、模擬量超量程、脈沖量超量程、脈沖小信號切除,輸出基性可選;
帶隔離保護的晶體管開關輸出,可吸收250mA的電流,耐壓35V.(與脈沖輸出不隔離)
數字通訊
RS232,RS485,HART
襯里的選擇
襯里材料
主要性能
介質溫度(≤)
適用范圍
—體型
分離型
聚四氟乙烯(F4)
是化學性能最穩定的一種塑料,能耐沸騰的鹽酸、硫酸、硝酸和王水,也能耐濃堿和各種有機溶劑。不耐三氟化氯、高溫三氟化氯、高流速液氟、液氧、自氧的腐蝕。
70℃
100℃ 150℃ (需特殊訂貨)
1、濃酸、堿等強腐蝕性介質。 2、衛生類介質。
聚全氟乙丙烯(F46)
同F4,耐磨性、抗負壓能力高于F4。
同上
聚氟合乙烯(Fs)
適用溫度上限較聚四氟乙烯低,但成本也較低。
80℃
聚氯丁橡膠
1、有極好的彈性,高度的扯斷力,耐磨性能好。2、耐一般低濃度酸、堿、鹽介質的腐蝕,不耐氧化介質的腐蝕。
80℃ 120℃ (需特殊訂貨)
水、污水、弱磨損性的泥漿礦漿。
聚氨酯橡膠
1、耐磨性能基強。
2、耐腐蝕性能較差。
80℃
中性強磨損的礦漿、煤漿、泥漿
進口保護法蘭和接地法蘭(或接地環)的選擇
電極的選擇法蘭種類
適 用 范 圍
接地法蘭(或接地環)
適用于非導體管道,如塑料管道,但有接地電極的傳感器不需要。
進口保護法蘭
當介質有強磨損性時選用。
電極材料
耐蝕及耐磨性能
不銹鋼0Crl8Nil2M02Ti
用于工業用水、生活用水、污水等具有弱腐蝕性的介質,適用于石油、化工、鋼鐵等工業部門及,市政、環保等領域。
哈氏合金B
對沸點以下的一切濃度的鹽酸有良好的耐蝕性,也耐硫酸、磷酸、氫氟酸、有機酸等非氯化性酸、堿,非氧化性鹽液的腐蝕。
哈氏合金C
能耐非氧化性酸,如硝酸、混酸、或鉻酸與硫酸的混合介質的腐蝕,也耐氧化性鹽類如:Fe、Cu”下或含其他氧化劑的腐蝕,如高于常溫的次氯酸鹽溶液、海水的腐蝕
鈦
能耐海水、各種氯化物和次氯酸鹽、氧化性酸(包括發煙硫酸)、有機酸、堿的腐蝕。不耐較純的還原性酸(如硫酸、鹽酸)的腐蝕,但如酸中含有氧化劑(如硝酸、Fc++、Cu++)時,則腐蝕大為降低。
鉭
具有優良的耐蝕性和玻璃很相似。除了氫氟酸、發煙硫酸、堿外,幾乎能耐所有化學介質(包括沸點的鹽酸、硝酸和l 50℃以下的硫酸)的腐蝕。在堿中耐蝕。
鉑/鈦合金
幾乎能耐所有化學介質,但不適用于王水和銨鹽。
不銹鋼涂覆碳化鎢
用于無腐蝕性,強磨損性的介質。
注: 由于介質種類繁多,其腐蝕性又受溫度、濃度、流速等復雜因素影響而變化,故本表僅供參考。用戶應根據實際情況自己做出選擇,必要時應做擬選材料的耐腐試驗,如掛片試驗。
分體式電磁流量計選型
1.選型代碼:
型號
說明
DKS-LDF—
□
□
-□
□
□
□
□
□
-□
通徑
10-2600mm
組合
S
一體型
電極材料
M
不銹鋼
T
Ti(鈦)
D
Ta(鉭)
H
哈氏合金
P
Pt鉑
N
Ni鎳
輸出方式
0
無輸出
1
4-20mA/1-5KHz
2
4-20mA
襯里材料
X
橡膠
F
聚四氟乙烯
P
聚乙烯
J
聚氨酯橡膠
就地顯示
0
無就地顯示
1
就地顯示
通訊方式
0
無通訊
1
RS485
2
RS232
3
Mobdus
4
Hart
接地
0
無接地環
1
有接地環
2
有接地電基
上限流量
(n)
上限流量(量程)m3/h
例:選用一臺就地顯示型電磁流量計測量污水,用戶管道為DN50,要求橡膠材料襯里,不銹鋼電基,4~20mA輸出,無通訊,上限流量為30m3/h。型號應為:DKS-LDF-50S-M1X100-30
2.測量范圍的選擇
公稱通徑(mm)
可測量流量范圍(m3/h)
有效測量流量范圍(m3/h)
公稱通徑(mm)
可測量流量范圍(m3/h)
有效測量流量范圍(m3/h)
10
0.0142~3.3912
0.0848~2.826
300
12.717~3052
76.302~2543
15
0.0318~7.6302
0.1908~6.3585
350
17.31~4154
103.86~3461
20
0.0566~13.5648
0.3392~11.304
400
22.61~5425
135.65~4521
25
0.0883~21.195
0.5298~17.6625
450
28.62~6867
171.68~5722
32
0.1447~34.7258
0.8682~29.9382
500
35.33~8478
211.95~7065
40
0.2261~54.2592
1.3565~45.216
600
50.87~12208
305.2~10173
50
0.3533~84.78
2.1195~70.65
700
69.24~16616
415.4~13847
65
0.5970~143.28
3.5819~119.39
800
90.44~21703
542.6~18086
80
0.9044~217.03
5.4259~180.86
900
114.46~27468
686.7~22890
100
1.413 ~339.12
8.478~282.6
1000
141.3~33912
847.8~28260
125
2.2079~529.87
13.2468~441.56
1200
203.5~48833
1221~40694
150
3.1793~763
19.0755~635.85
1400
277~66467
1662~55389
200
5.652~1356
33.912~1130.4
1600
361.8~86814
2171~72345
250
8.8313~2119
52.9875~1766
1800
457.9~109874
2747~91562
1.分體式電磁流量計信號無線遠傳解決方案
2.分體式電磁流量計說明書下載
3.分體式電磁流量計安裝注意事項下載


